亚洲视频精选在线,手机在线观看你懂的,一本大道香蕉久在线播放29

產品目錄
聯系報價
緊急熱線
聯系銷售
服務與解決方案
翼凱機械為耐磨材料解決方案專家。我們竭誠為您產線提供一站式耐磨材料解決方案服務和科學解決方案,同時為您節省成本以及精力。向您提供專業的解決方案是我們的強項。上海翼凱機械設備有限公司積極帶給您國內外的材料技術解決方案,同時還為您提供專業的技術指導以及支持服務。
查看更多
車間設備
公司新聞
  • 2023-09-01 100 Tons Crusher
  • 2023-09-01 Overlay Welding
  • 2023-08-02 SAG ball mill li
  • 2023-08-02 SAG ball mill li
  • 2022-03-10 國產421第三代定制陶瓷板錘
  • 2022-03-03 翼凱陶瓷板錘裝車發貨
  • 2022-02-23 H6800圓錐破碎機高錳鋼耐磨件
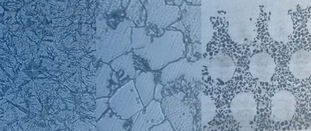
質量控制
查看更多>>
我們嚴肅認真對待產品質量!翼凱機械質量控制體系控制產品原材料,化成成份,尺寸精度,金相組織,產品內部以及表面質量等。產品的質檢標準嚴格按照國標GB,也可以美標ASTM等其他執行并驗收。
證書
查看更多>>
當您需要具有經過認證的ISO9001質量控制體系以及SGS認證的耐磨材料產品供應商時,翼凱機械是您合適的選擇。我們有強烈的質量控制意識以及完善的質量控制體系。 所有的產品合格后,方可入庫發貨。
客戶反饋
查看更多>>
翼凱機械始終與客戶保持良好的溝通,聽取他們對我們產品質量的反饋。我們希望通過客戶反饋來完善我們的產品 … 查看更多
蓬安县 明水县 甘谷县 七台河市 普定县 广安市
岳普湖县 红河县 庆元县 玉门市 山阳县 建始县
阿瓦提县 千阳县 延寿县 郯城县 新竹市 大方县
泛站蜘蛛池模板: 越西县| 洪泽县| 五河县| 郴州市| 蓬溪县| 雷波县| 崇明县| 灵寿县| 宜宾县| 邹城市| 休宁县| 五寨县| 安乡县| 静海县| 德令哈市| 辽宁省| 西乌珠穆沁旗| 平度市| 长治县| 华安县| 扎囊县| 贵德县| 新龙县| 宣恩县| 齐河县| 永清县| 肥东县| 阿拉善左旗| 金山区| 剑川县| 潮州市| 阜新市| 博湖县| 隆昌县| 兴安县| 乳源| 白城市| 凯里市| 临汾市| 连州市| 兴文县|